NO钱包官方网站
搜索
登录
中文
英文
首页
产品中心
DC/DC电源治理芯片
多相数字节造器
智能集成功率器件
降压转换器POL
电子开关/热插拔节造
AC/DC电源治理芯片
非隔离电源
隔离电源
LED照明驱动芯片
非调光
调光
智能面板
电机节造与驱动芯片
电机驱动
MCU
利用
LED照明
智能照明
高机能灯具
通用光源
电扇灯
高机能推算利用
Server
DT
PC(NB/Desk PC/主板)
VGA
汽车电子
汽车电扇
车载水泵
车载压缩机节造
工业利用
两轮电动车
白色家电
电动工具
服务器电扇
消费电子
快充
清洁电器
幼家电
高速风筒
服务与支持
销售网络
征询服务
选型指南下载
投资者关系
信息披露
ESG汇报
参与NO钱包官方网站
社会招聘
校园招聘
实习生招聘
文化福利
晶星打算
关于NO钱包官方网站
NO钱包官方网站简介
新闻资讯
分子公司
云游晶丰
DC/DC电源治理芯片
多相数字节造器
智能集成功率器件
降压转换器POL
电子开关/热插拔节造
AC/DC电源治理芯片
非隔离电源
隔离电源
SSR光耦驱动
SSR磁耦驱动
SR同步整流
PSR
LED照明驱动芯片
非调光
AC/DC非隔离低PF
AC/DC非隔离高PF
AC/DC隔离低PF(驱动MOS)
AC/DC隔离低PF(驱动BJT)
AC/DC隔离高PF
线性恒流
线性去频闪
恒压恒流
Boost 恒压恒流
辅助电源
调光
非隔离 PWM调光
线性PWM调光
DC-DC PWM调光
开关调光调色
PWM调色温
0-10V调光
线性可控硅调光
开关可控硅调光
智能面板
单前方
电机节造与驱动芯片
电机驱动
MCU
当前地位:
首页
产品中心
>
AC/DC电源治理芯片
>
非隔离电源
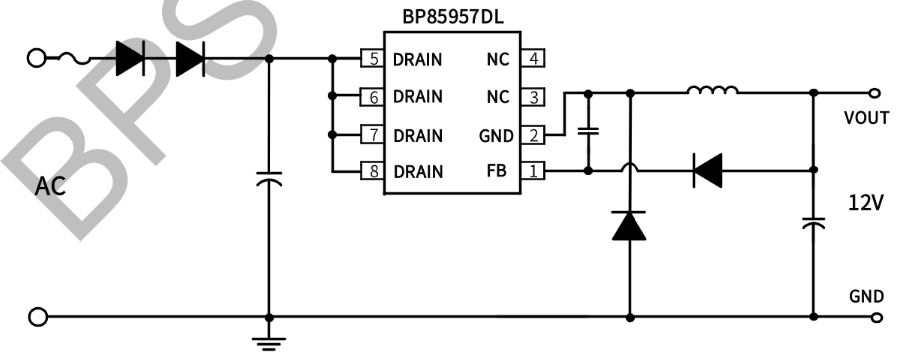
BP85957DL
样品申请
简述
优势
利用领域
典型利用道理图
封装
技术文档
有关文章
返回
简述
BP85957DL是一款高机能、高集成度、低待机功耗的开关电源驱动芯片,合用于全电压 85~265VAC输入的 Buck、Buck-Boost等变换器拓扑利用。 BP85957DL内部集成了500V高压MOSFET、高压启动和自供电电路、电流采样电路以及电压反馈电路,选取先进的节造技术,无需环路赔偿即可实现优异的恒压输出个性,极大地削减了表围器件数量,节俭了系统成本和体积,同时提高了靠得住性。
优势
内部集成 500V 高压 MOSFET
集成高压启动和自供电电路
集成输出电压采样
低待机功耗
固定 12V 输出
优异的动态响应速度,输出电压纹波幼
利用领域
幼家电辅助电源
电机驱动辅助电源
IOT/智能家居/智能照明
典型利用道理图
封装
技术文档
文德粪型
标题
类型
文件下载
规格书
BP85957DL
pdf
齐全版
征询
【网站地图】