NO钱包官方网站

NO钱包官方网站 - 博出异常人生 当前地位: 首页 产品中心>AC/DC电源治理芯片>隔离电源>SR同步整流
简述
BP6211BS 是一款高集成度、高机能、自供电的同步整流节造芯片,内置功率 MOSFET,支持CCM、DCM和 OR 工作模式:合用于高效能、高功率密度反激变换器利用。 BP6211BS 选取预关断工作模式,驱动电压凭据功率 MOSFET压降自适应调整,加上超短的关断延时和高达4A的驱动下拉电流,可能实现超快的关断速度,使得系统能靠得住工作于CCM 模式。 BP6211BS 芯片内部使用了振铃检测电路,预防了在DCM模式下由于自由振荡引起误开明而导致的初次级共通问题。同时内置前沿消隐功夫,能够预防寄生振荡误触发MOSFET提前关断,从而保障同步整流不变工作。超短的开明延时能够增长MOSFET 导通功夫以获得尽可能高的效能。
优势

    集成 60V同步整流 MOSFET

    支持 CCM/DCM/QR 工作模式

    自适应驱动电压,超快关断速度,预防CCM 模式

    初次级共通

    内置振铃检测,预防 DCM 误开明

    可用于正端和负端整流

    芯片自供电,正端整流无需辅助供电绕组

利用领域
  • QC/USB-PD/可编程 AC-DC 充电器
  • 高效能电源适配器
  • 高效能、高功率密度反激变换器
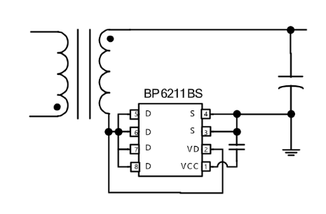
典型利用道理图
NO钱包官方网站 - 博出异常人生
封装
  • NO钱包官方网站 - 博出异常人生
技术文档
文德粪型 标题 类型 文件下载
规格书 BP6211BS pdf 齐全版
NO钱包官方网站 - 博出异常人生
NO钱包官方网站 - 博出异常人生
NO钱包官方网站 - 博出异常人生
NO钱包官方网站 - 博出异常人生
【网站地图】