¼òÊö
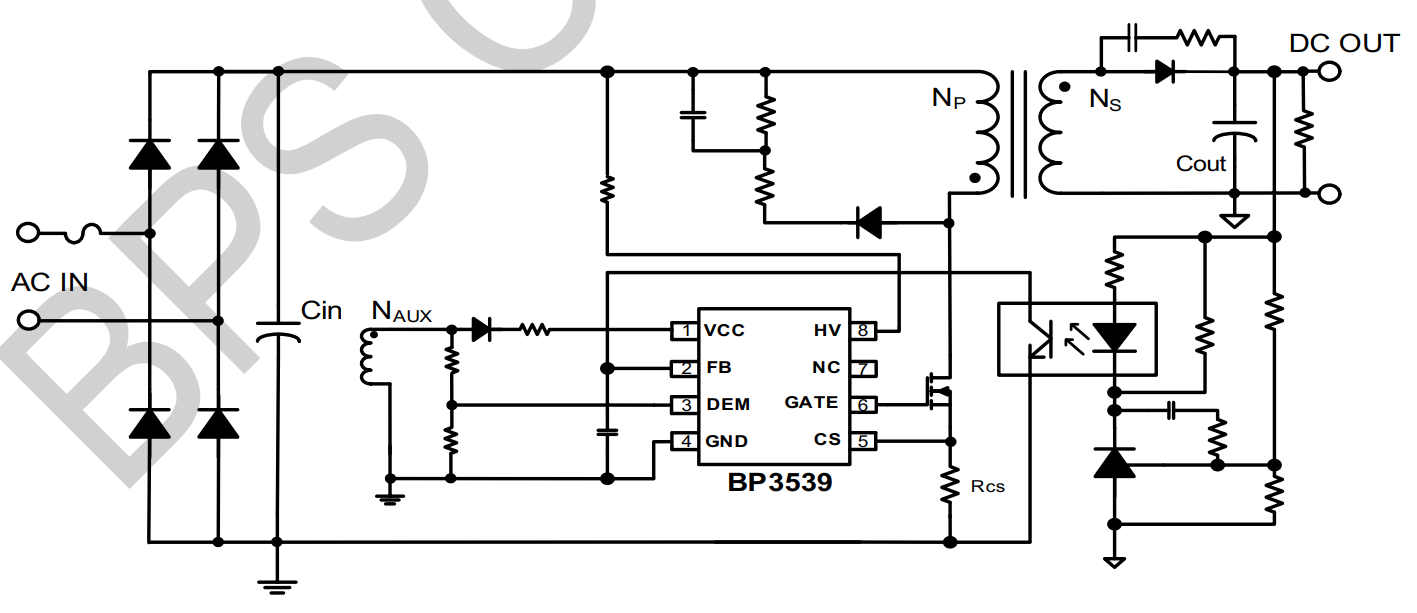
BP3539 ÊÇÒ»¿îµÍ¹¦ºÄºãѹºãÁ÷½ÚÔìоƬ¡£³ÁÔØ×´Ì¬ÏÂоƬ¹¤ÔÚµç¸ÐµçÁ÷ÁÙ½çÂ½ÐøÄ£Ê½£¬ÇáÔØ×´Ì¬ÏÂоƬ¹¤×÷ÔÚµç¸ÐµçÁ÷¶ÏÐøµ¼Í¨Ä£Ê½£¬ºÏÓÃÓÚ 85Vac~265Vac È«ÁìÓòÊäÈëµçѹµÄ¸ôÀëµçÔ´¡£
BP3539 оƬ¼¯³É¸ßѹÆô¶¯ºÍ¹©µçµç·£¬Ñ¡È¡PWM/PFM ¶àģʽ½ÚÔì¼¼Êõ£¬´Ó¸¨ÖúÈÆ×鏸VCC¹©µç£¬ÄÜÓÐЧ½µµÍϵͳ´ý»ú¹¦ºÄ£¬Ìá¸ßЧÄܺͶ¯Ì¬»úÄÜ£¬²¢¼õÓ×ϵͳ¹¤×÷ÔÚÇáÔØÊ±µÄÔëÉù£¬
BP3539 ÓµÓжà³Á±£»¤Ö°ÄÜ£¬Ô̺¬Êä³ö¿ªÂ·/¶Ì·±£»¤¡¢Ð¾Æ¬¹©µçǷѹ/¹ýѹ±£»¤¡¢CS ¿ªÂ·±£»¤¡¢¸±±ß¶þ¼«¹Ü¶Ì·±£»¤¡¢ÖðÖÜÆÚÏÞÁ÷¡¢¹ýα£»¤µÈ¡£